联系我们
应用案例
设备展示
服务承诺
技术支持
产品展示
公司介绍
首页
首页
公司介绍
产品展示
技术支持
服务承诺
设备展示
应用案例
联系我们
首页
>
产品中心
>
变送器仪表
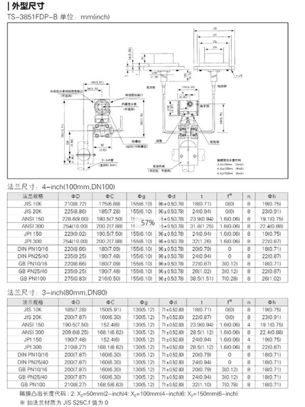
TS-3851FDP-AB 隔膜密封式差压变送器
密封隔膜是用于防止管道中的介质直接进入差压变送器里的压力传感器组件中、它与变送器之间是靠注满流体的毛细管连接起来的。TS-3851FDP-A/B 隔膜密封式差压变送器用于测量液体、气体和蒸汽的流量、液位、密度和压力,然后输出与测得的差压相对应4~20mA DC 信号。由于它们可与 HART·475 手操器相互进行通讯,故可进行远程设定及监控。
咨询电话:
18017120179
立即联系
上一篇:
TS-3851GP 压力绝对压力变送器
下一篇:
TS-3851FGP-AB 隔膜密封式压力变送器
推荐产品
便携式微压压力泵
台式液位泵
台式气压泵
便携式气压泵
便携式液压泵
CopyRight ©2024 托西(江苏)测控仪表有限公司 版权所有
苏ICP备2024132338号-1
立即咨询 18017120179